電磁流量計系列
您現在的位置: 上海自動化儀表股份有限公司 > 產品導航 > 流量計 > 電磁流量計
電磁流量計
產品說明:智能型LDCK電磁流量計是經過不斷升級改良的高精度、高可靠性產品,該流量計在勵磁技術,內襯技術,智能化技術方面達到了國內先進水平。適用于測酸、堿、鹽溶液、泥漿、紙漿、廢水
質量穩定:實行全過程質量監控,細致入微,全方位檢測!
真品保證:正品保障,防偽標志
交貨快捷:先進生產流水線,充足的備貨,縮短了交貨期!
全國咨詢熱線:
021-56725115
產品說明
電磁流量計是經過不斷升級改良的高精度、高可靠性產品,該流量計在勵磁技術,內襯技術,智能化技術方面達到了國內先進水平。適用于測酸、堿、鹽溶液、泥漿、紙漿、廢水等導電介質的體積流量,測量管內無突出件,因此無附加壓力損失。流量計具有測量精度不受介質壓力、溫度、密度(包括固液比)、粘度等物理參數變化的影響的特點,儀表靈敏,測量范圍度大,抗干擾能力強,零點穩定,工作可靠。
傳感器有防爆型,防爆等級為:mdⅡBT4。
本產品執行檢定規程:JJGl98-94速度式流量計檢定規程。
電磁流量計特點
● 可編程頻率低頻矩形波勵磁,提高了流量測量的穩定性,功率損耗低;
● 測量可靠,精度高,流量測量范圍可達1500:1;
● 全漢字菜單操作,使用方便,操作簡單,易學易懂;
● 具有雙向流量測量、雙向總量累計功能,電流、脈沖具備雙向輸出功能;
● 具有RS485或RS-232C數字通訊信號輸出;
● 儀表內部設計有不掉電時鐘,可記錄16次掉時間。
電磁流量計主要技術指標
|
成套精度: |
口徑Φ10~250:± 0.5%、±1.0% |
|
口徑Φ300~1200:±1.0%、±1.5% |
|
|
介質電導率: |
>20uS/cm |
|
輸出信號: |
0~10mA DC或4~20mA DC 0~lkHz脈沖信號 |
|
通訊信號: |
RS485或RS-232C |
|
公稱壓力: |
口徑Φ10~50:4.OMPa |
|
口徑Φ65~125:1.6MPa |
|
|
口徑Φ150~1000:1.0MPa |
|
|
口徑Φ1200:0.6MPa |
|
|
工作電流: |
≤0.5A |
|
防護等級: |
標準型IP65,特殊型IP67 |
|
供電電 源: |
~220V AC,50Hz;或24V DC(特殊訂貨) |
|
連接法蘭: |
機標JB/T81-94,國標GB9119-2000或按用戶需要 |
電磁流量計材料
|
主體材料: |
測量管-耐酸鋼SUS304 |
|
外殼- Q235鋼 |
|
|
襯里材料: |
口徑Φ10~20:聚四氟乙烯 |
|
口徑Φ20~300:聚四氟乙烯、氯丁橡膠、及(特殊訂貨)聚氨酯、耐酸橡膠 |
|
|
口徑Φ350~1200:聚四氟乙烯、氯丁橡膠 |
|
|
電極材料: |
含鉬不銹鋼OCr18Ni12Mo2Ti |
|
或鈦Ti |
|
|
或鉭Ta |
|
|
或鉑Pt |
|
|
或哈氏合金等 |
電磁流量計常用襯里材料的性能及其適用范圍見表
|
襯 里 材 料 |
主 要 性 能 |
適 用 范 圍 |
|
聚四氟乙烯 PTFE |
1、塑料中化學性能最穩定的一種材料,能耐沸騰的鹽酸、硫酸、硝酸和王水,也能耐濃堿和各種有機溶劑。 2、耐磨性和粘接性能差。 |
1、-40℃~+180℃ 3、衛生類介質 |
|
氯丁橡膠 (Neoprene) |
1、有極好的彈性,高度的扯斷力,耐磨性能好。 2、耐一般低濃度酸、堿、鹽介質的腐蝕,不耐氧化性介質的腐蝕 |
1、<65℃ 2、測一般水、污水、泥漿、礦漿 |
|
聚氨酯橡膠 |
1、有極好的耐磨性能(相當于天然橡膠的十倍) |
1、<40℃ 2、中性強磨損的礦漿、煤漿、泥漿 |
|
耐酸橡膠 (硬橡膠) |
可耐常溫下的鹽酸、醋酸、草酸、氨水、磷酸及50%的硫酸、氫氧化鈉、氫氧化鉀,忌強氧化劑。 |
1、<90℃ 2、一般的酸、堿、鹽溶液 |
用戶選用LDCK-100,其最小流量為10m^3/h;最大流量可在28、55、90、110、140、170....280m^3/h范圍內選擇其中一個流量值,也可以選用表中流量點之間的流量值為最大流量,如選用60m^3/h或80m^3/h為最大流量。
電磁流量計電磁流量計型號表示

例1:LDCK-100JM16MA1OOY/TBS
說明:電磁流量計公稱通徑100mm、襯里材料聚四氟乙烯、電極OCr18Ni12Mo2Ti、公稱壓力1.6MPa、接地環材料OCr18Ni12Mo2Ti、輸出電流4~20mA、最大流量100m^3/h、安裝方式一體型、帶顯示器(顯示:瞬時、累積)。
例2:LDCK-150LH1OMB200F/TBS
電磁流量計公稱通徑150mm、襯里材料氯丁橡膠、電極哈氏合金、公稱壓力1.OMPa、接地環材料OCr18Ni12Mo2Ti、輸出電流0~10mA、最大流量200m^3/h、安裝方式分離型、帶顯示器(顯示:瞬時、累計)。
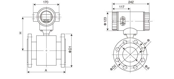
電磁流量計外形尺寸及重量


電磁流量計安 裝
1.流體流動的方向應與傳感器上箭頭所指的方向一致;
2.必須保證流量計的進口端5D以上,出口端3D以上的直管段(D=傳感器內徑);
3.傳感器應接地良好,接地電阻應小于10Ω;
4.安裝位置應避免能產生強大交流磁場的場合;
電磁流量計推薦安裝位置

相關產品推薦:

