膜片壓力表系列
您現在的位置: 上海自動化儀表股份有限公司 > 產品導航 > 壓力表 > 膜片壓力表
膜片壓力表
產品說明:膜片壓力表概述: 精膜片壓力表適用于測量具有一定腐蝕性、非凝固或非結晶的各種流體介質的壓力或負壓。耐腐蝕性能決定于膜片材料。膜片
質量穩定:實行全過程質量監控,細致入微,全方位檢測!
真品保證:正品保障,防偽標志
交貨快捷:先進生產流水線,充足的備貨,縮短了交貨期!
全國咨詢熱線:
021-56725115
產品說明
膜片壓力表概述:
精膜片壓力表適用于測量具有一定腐蝕性、非凝固或非結晶的各種流體介質的壓力或負壓。耐腐蝕性能決定于膜片材料。
膜片壓力表主要技術指標
準確度:2.5級
使用環境溫度:-40℃~+70℃;相對濕度不大于90%
-30℃~50℃的任一恒定溫度條件下使用。
溫度影響:使用環境溫度如偏離20℃±50℃時,其溫度附加誤差不大于0.04%/℃。
工作位置:垂直安裝
外殼防護等級:IP64
膜片壓力表型號表示
膜片壓力表標度范圍、外形尺寸及重量
|
型號
|
標度范圍
|
承壓部
尺寸D1
|
表殼外徑D
|
重量
Kg
|
|
|
YPF-100A
|
0~0.06、0~0.1、0~0.16
0~0.25、0~0.4、0~0.6、
0~1、0~1.6、0~2.5、-0.1~0、-0.1~0.06、-0.1~0.15、-0.1~0.3、-0.1~0.5、-0.1~0.9、-0.1~1.5、-0.1~2.4Mpa
|
φ85
|
Φ100
|
1.6
|
|
|
YPF-100B
YPF-100B-F
|
|||||
|
Φ115
|
|
||||
|
YPF-150A
|
φ85
|
Φ150
|
1.8
|
||
|
YPF-150B
YPF-150B-F
|
|||||
|
Φ115
|
|||||
|
YPF-100B
YPF-100B-F
|
0~1.6、0~2.5、0~4、0~6、
0~10、0~16、0~25、0~40*、-1.6~0、-2.5~0、-4~0、-6~0、-10~0、
-16~0、-25~0、-40~0* -0.8~0.8、-1.2~1.2、-2~2、-3~3、-5~5 、 -8~8、-12~12、-20~20*
kPa
|
Φ160
|
Φ100
|
2.9
|
|
|
YPF-150B
YPF-150B-F
|
Φ160
|
Φ150
|
3.2
|
|
|
型號
|
名稱
|
導壓系統
|
|
|
|
膜片
|
法蘭接頭
|
密封
墊圈
|
||
|
YPF-100A
150A
|
膜片壓力表
|
Cr15Ni7Mo(PH15-7Mo)
316L(≤25KPa)
|
丁腈橡膠
|
鑄鋁
|
|
YPF-100B
150B
|
不銹鋼膜片壓力表
|
聚四氟乙烯
|
1Cr18Ni9
|
|
|
YPF-100B-F
150-F′
|
法蘭不銹鋼膜片壓力表
|
|||
|
|
YPF-100A
|
YPF-100E
|
YPF-100B-F
|
YPF-150A
|
YPF-150B
|
YPF-150B-F
|
|
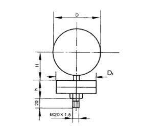
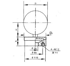
D
|
Φ100
|
Φ110
|
Φ110
|
Φ150
|
Φ160
|
Φ160
|
|
H
|
66
|
66
|
66
|
91
|
91
|
91
|
|
h
|
32
|
32
|
36
|
32
|
32
|
36
|
膜片壓力表外形尺寸
YPF-100、150A/B

*0~40、-40~0,±20KPa規格承壓部尺寸D1s為φ85導壓系統及外殼等主要零件材質

膜片壓力表 使用須知
1.儀表應垂直安裝,并力求與測量點間保持同一水平位置,否則須相應地計入液位差所引起的附加誤差。
2.儀表經常使用的壓力應為其分度上限的2/3為宜。
3.儀表定期維修時如確需開啟表蓋,宜借助專用工具進行。
4.當充液儀表安裝完成后取下原有護塞,安裝上可調試護塞(已配)并將閥針上的箭頭放置在垂直面上位置。

